在負載點(POL)降壓轉換器領域,同步變化的高邊和低邊有源開關已被廣泛使用。圖1顯示了具有理想開關的此類電路。與使用無源肖特基二極管作為低邊開關的架構相比,此類開關穩壓器具有多項優勢。主要優勢是電壓轉換效率更高,因為與采用無源二極管的情況相比,低端開關承載電流時的壓降更低。
但是,與異步開關穩壓器相比,同步降壓轉換器會產生更大的干擾。如果圖1中的兩個理想開關同時導通,即使時間很短,也會發生從輸入電壓到地的短路。這會損壞開關。必須確保兩個開關永遠不會同時導通。因此,出于安全考慮,需要在一定時間內保持兩個開關都斷開。這個時間稱為開關穩壓器的死區時間。但是,從開關節點到輸出電壓連接了一個載流電感(L1)。通過電感的電流永遠不會發生瞬間變化。電流會連續增加和減少,但它永遠不會跳變。因此,在死區時間內會產生問題。所有電流路徑在開關節點側中斷。采用圖1所示的理想開關,在死區時間內會在開關節點處產生負無窮大的電壓。在實際開關中,電壓負值將變得越來越大,直到兩個開關中的一個被擊穿并允許電流通過。


圖1.用于降壓轉換、采用理想開關的同步開關穩壓器。
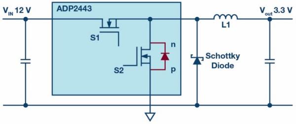
大多數開關穩壓器使用N溝道MOSFET作為有源開關。這些開關針對上述情況具有非常有優勢的特性。除了具有本身的開關功能外,MOSFET還具有所謂的體二極管。半導體的源極和漏極之間存在一個P-N結。在圖2中,插入了具有相應P-N結的MOSFET。由此,即使在死區時間內,開關節點的電壓也不會下降到負無窮大,而是通過低端MOSFET中的P-N結(如紅色所示)承載電流,直到死區時間結束并且低端MOSFET導通為止。


圖2.用于降壓轉換的同步開關穩壓器,采用N溝道MOSFET和額外的肖特基二極管,可最大限度地減少干擾。
相應MOSFET中的體二極管有一個主要缺點。由于反向恢復現象,其開關速度非常低。在反向恢復時間內,電感(L1)導致開關節點處的電壓下降到比地電壓低幾伏。開關節點處的這些陡峭的負電壓峰值會導致干擾,此干擾會被容性耦合到其他電路段。通過插入額外的肖特基二極管可以最大限度地減少這種干擾,如圖2所示。與低端MOSFET中的體二極管不同,它不會產生反向恢復時間,并且在死區時間開始時能非常快速地吸收電流。這可減緩開關節點處的電壓陡降??蓽p少由于耦合效應而產生并分布到電路上的干擾。
肖特基二極管可以設計得非常緊湊,因為它僅在死區時間內短時間承載電流。因此,其溫升不會過高,可以放置在小尺寸、低成本的產品外殼中。
電話:18923864027(同微信)
QQ:709211280
烜芯微專業制造二極管,三極管,MOS管,橋堆等20年,工廠直銷省20%,上萬家電路電器生產企業選用,專業的工程師幫您穩定好每一批產品,如果您有遇到什么需要幫助解決的,可以點擊右邊的工程師,或者點擊銷售經理給您精準的報價以及產品介紹
電話:18923864027(同微信)
QQ:709211280
烜芯微專業制造二極管,三極管,MOS管,橋堆等20年,工廠直銷省20%,上萬家電路電器生產企業選用,專業的工程師幫您穩定好每一批產品,如果您有遇到什么需要幫助解決的,可以點擊右邊的工程師,或者點擊銷售經理給您精準的報價以及產品介紹

