
傳真:
18923864027
QQ:
709211280
地址:
深圳市福田區振中路84號愛華科研樓7層
基于分布式算法的低通FIR濾波器設計詳解傳統數字濾波器硬件的實現主要采用專用集成電路(ASIC)和數字信號處理器(DSP)來實現。FPGA內部的功能
怎么選擇濾波器濾波器被廣泛應用在開關電源、智能控制器、家用電器等各種電源及設備上,其是由電容、電感和電阻組成的濾波電路,可以使信號
FIR濾波器的原理與特點介紹在現代電子系統中,到處都可以看到數字信號處理( DSP )的應用,從MP3播放器、數碼相機到手機。在這些數字信號
數字濾波器的工作原理介紹在信號處理領域中,對于信號處理的實時性、快速性的要求越來越高。而在許多信息處理過程中,如對信號的過濾、檢測
FIR濾波器與IIR濾波器的區別圖解由于數字濾波器具有穩定性高、精度高、設計靈活、實現方便等許多突出的優點,因此廣泛應用于硬件電路設計,
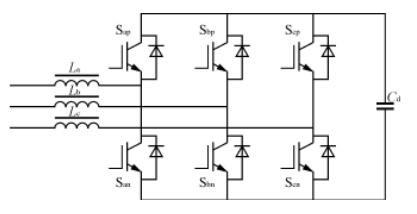
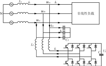
有源濾波器的原理和作用詳解近幾年來,配電網中整流裝置、變頻調速裝置、工業電源以及各種電力電子裝置不斷曾加,造成了負荷的非線性、不平
有源電力濾波器的分類介紹由于無源濾波器特性受系統參數影響大,只能消除特定的幾次諧波,過載能力小,對系統阻抗和頻率變化的適應性較差,
電源濾波器電路設計圖詳解電源濾波器,又名電源EMI濾波器,或是EMI電源濾波器,是一種無源雙向網絡,是一種對電源中特定頻率的頻點或該頻點
基于芯片測試的環路濾波器設計圖解在進行小數分頻頻率合成器的芯片測試時,數字部分可以通過常規的數字測試方法即可以實現;而輸出射頻信號
陷波濾波器電路圖和傳遞函數介紹大家都知道濾波是信號處理中的一個重要概念,在直流穩壓電源中濾波電路的作用是盡可能減小脈動的直流電壓中
傳感器,什么是傳感器在生活中,從遙控器、臺燈、手機按鈕,大到電視、鍋爐檢測、電網傳輸、醫療器械診斷等等都能看到傳感器的存在,其覆蓋
傳感器的工作原理與應用介紹傳感器在我們生活中的應用范圍很廣,在很久前,邏輯元件、記憶元件與感測元件就已經并列是電子系統的三大元件。