
傳真:
18923864027
QQ:
709211280
地址:
深圳市福田區振中路84號愛華科研樓7層
TL494,基于TL494的音頻開關功率放大器設計圖解隨著高速功率MOSFET生產技術的迅速發展,MOSFET的工作頻率越來越高,驅動方式越來越安全,而
TL494,利用TL494構成的單回路控制器TL494是一種電壓驅動型脈寬調制控制集成電路,主要應用在各種開關電源中。本文介紹介紹了以電壓驅動型脈
TL494的,基于TL494的雙管正激小功率電源設計正激變換由于拓撲簡單,升 降壓范圍寬,廣泛應用于中小功率電源變換場合。正激變換器的輸出功
TL494,基于TL494的PWM控制技術介紹隨著電力電子技術的發展,脈寬調制(Pulse Width Modulation,PWM)技術的應用日益引起人們的重視。本文
TDA2822M雙路音頻功放集成電路,TDA2822M的應用電路圖TDA2822M是一塊雙路音頻功放集成電路。特點是效率高、耗電小、靜態工作電流也只有6mA,
TDA2822的特點,TDA2822引腳功能與應用電路介紹TDA2822是雙通道單片功率放大集成電路,具有電路簡單、音質好、電壓范圍寬等特點,可工作于立
TDA2822集成功放電路,TDA2822的五種應用電路圖TDA2822是低電壓小功率功放集成功放電路,由于價格極為低廉(幾毛一塊),線路簡單,因此在低檔
TDA2030的引腳功能,TDA2030參數與應用電路圖解TDA2030是Pentawatt®封裝的單片集成電路,旨在用作低頻AB類放大器。通常它在14V 4&Omeg
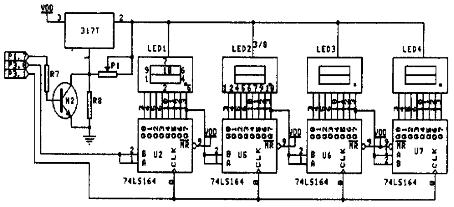
74LS164,基于74LS164的單片機與LED顯示電路設計介紹AT89系列單片機是近年來推出的一種新型高性能低價位、低電壓低功耗的8位CMOS微型計算機
74LS48的概述,74LS48電路圖,引腳與功能介紹74LS48芯片是一種常用的七段數碼管譯碼器驅動器,常用在各種數字電路和單片機系統的顯示系統中,
AD9854芯片,AD9854的多功能信號源設計圖解為了實現高性價比、低相噪和低雜散的數字化信號源,本文提出了以直接數字頻率合成芯片AD9854 為
AD9854,基于AD9854與FPGA的雷達信號源設計本文介紹了使用AD9854芯片和FPGA,并基于DDS理論設計并實現了多模式多波形雷達信號源。它可模擬LF