
傳真:
18923864027
QQ:
709211280
地址:
深圳市福田區振中路84號愛華科研樓7層
寬帶放大器電路設計解析這里給出了 一個 50~300MHz 的低噪聲寬帶放大器的設計,該放大器在工作頻段內具有優良的增益平坦度和噪聲系數,
元器件布局設計的工藝要求與多方位考慮元器件布局要根據smt貼片加工生產設各和工藝特點進行設計。不同的工藝,如smt貼片再流焊和波峰焊,對
簡析有源功率因數校正技術與發展趨勢引言傳統的用于電子設備前端的二極管整流器,作為一個諧波電流源,干擾電網線電壓,產生向四周輻射和沿
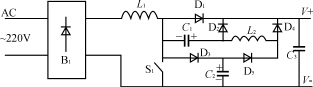
PFC主電路原理圖知識圖 PFC主電路原理圖如圖所示的無損吸收PFC主電路的原理圖。圖中B1為整流橋,L1為PFC升壓電感,D1為隔直二極管,S1為開
晶體晶振區別-應用范圍與用法無源晶體與有源晶振的區別、應用范圍及用法:1、無源晶體——無源晶體需要用DSP片內的振蕩器,在datasheet上有
PCB地線的干擾和抑制分析摘要:在PCB設計中,尤其是在高頻電路中,經常會遇到由于地線干擾而引起的一些不規律、不正常的現象。本文對地線產
單片機復位電路作用原理和與置位的區別關于單片機的置位和復位,都是為了把電路初始化到一個確定的狀態,一般來說,單片機復位電路作用是把
各類功放原理圖與原理介紹在音響領域里人們一直堅守著A類功放的陣地。認為A類功放聲音最為清新透明,具有很高的保真度。但是,A類功放的低
解析電磁兼容設計中有哪些接地技術電磁兼容中的接地技術,包括接地的種類和目的、接地方式、接地電阻的計算以及設備和系統的接地等。其主要
電子電路基礎知識介紹電路基礎知識(一)電路基礎知識(1)——電阻導電體對電流的阻礙作用稱著電阻,用符號R表示,單位為歐姆、千歐、兆歐,...
介紹振動傳感器有哪些類型遠拓振動傳感器按其功能可有以下幾種按機械接收原理分:相對式、慣性式;按機電變換原理分:電動式、壓電式、電渦
電容式和電阻式觸摸屏原理與區別電容式觸摸屏是在玻璃表面貼上一層透明的特殊金屬導電物質。當手指觸摸在金屬層上時,觸點的電容就會發生變