
                        傳真:
                        18923864027
                        QQ:
                        709211280
                        地址:
                        深圳市福田區振中路84號愛華科研樓7層
                    
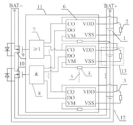
                    鋰電池保護板均衡原理成組鋰電池串聯充電時,應保證每節電池均衡充電,否則使用過程中會影響整組電池的性能和壽命。常用的均衡充電技術有恒
                    場效應管電路圖符號識圖場效應管英文縮寫:FET(Field-effect transistor),簡稱為場效應管,是一種高輸入阻抗的電壓控制型半導體。場效應
                    1、75N75產品描述75N75是N溝道增強型功率場狀態特性穩定、快速的效應晶體管開關速度,低熱阻,常用于電信和計算機應用。2、75N75產品特征RD
                    場效應管應用電路MOSFET廣泛使用在模擬電路與數字電路中,和我們的生活密不可分。MOSFET的優勢在于:首先驅動場效應管應用電路電路比較簡單
                    場效管直流穩壓電路圖V-MOS功率場效應管作調整管的穩壓電源。直流輸出電壓可在1 25V~12V連續可調,輸出電流為50mA(須裝10平方厘米散熱器)
                    場效應管的三個極場效應管的三個極相當于三級管的三個電極,G是控制極,相當于三級管的B極,電壓控制DS的導通率(三極管是電流控制型,B極
                    TO-220mos引腳順序TO-220封裝是一種快恢復二極管常采用的一種直插式的封裝形式。其中,TO英文是 Transistor Outline的縮寫。通常,TO-220
                    P溝MOS管工作原理金屬氧化物半導體場效應(MOS)晶體管可分為N溝道與P溝道兩大類,P溝道硅MOS場效應晶體管在N型硅襯底上有兩個P+區,分別叫做
                    什么是場效應管場效應晶體管(Field Effect Transistor縮寫(FET))簡稱場效應管。一般的晶體管是由兩種極性的載流子,即多數載流子和反極
                    MOS管開關驅動電路圖在使用MOS管設計開關電源或者馬達驅動電路的時候,大部分人都會考慮MOS的導通電阻,最大電壓等,最大電流等,也有很多
                    逆變器是把直流電能(電池、蓄電瓶)轉變成交流電(一般為220v50HZ正弦或方波)。通俗的講,逆變器是一種將直流電(DC)轉化為交流電(AC)
                    MOS管參數解讀1、電壓規格(VDSS)俗稱耐壓,至少應該為主繞組的3倍,需求留意的是,主繞組的電壓指的是圖2 6中的N2或者N3,而不是二者相加。